por sonek182 » Qua Ago 19, 2009 17:51
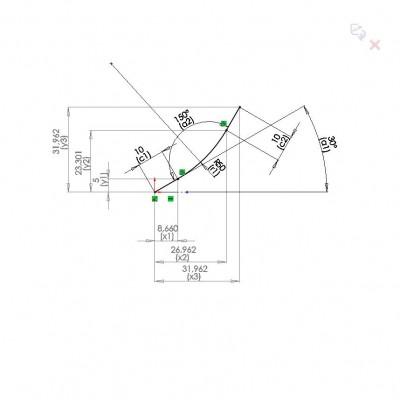
Ola estou o dia todo tentando achar uma solução simples para essa função o que eu preciso e desenhar um grafico conforme a imagem em anexo, porem nao consigo localizar as cordenadas X e Y, atraves dos valores C e R e A
Estou tentando fazer por pitagoras se alguem tiver alguma solução melhor
O meu maior problema e que esse desenho e so uma parte do meu problema pois na verdade a figura completa vai ter 4 raios com caminhos tangentes ligando eles.
- Anexos
-

- Quebra cabeça
-
sonek182
- Novo Usuário

-
- Mensagens: 1
- Registrado em: Qua Ago 19, 2009 16:41
- Formação Escolar: ENSINO MÉDIO PROFISSIONALIZANTE
- Área/Curso: tecnico mecanico
- Andamento: formado
Voltar para Trigonometria
Se chegou até aqui, provavelmente tenha interesse pelos tópicos relacionados abaixo.
Aproveite a leitura. Bons estudos!
-
- Circulos Tangentes a Duas Retas
por nakagumahissao » Qua Abr 04, 2012 20:13
- 2 Respostas
- 3536 Exibições
- Última mensagem por nakagumahissao

Ter Mai 01, 2012 16:40
Sequências
-
- Retas tangentes ao gráfico
por Marcos_Mecatronica » Sáb Abr 27, 2013 19:58
- 1 Respostas
- 1902 Exibições
- Última mensagem por young_jedi

Dom Abr 28, 2013 12:16
Cálculo: Limites, Derivadas e Integrais
-
- [Geometria Plana] Circunferencia tangencida por duas retas
por stuartl » Dom Out 13, 2013 12:04
- 0 Respostas
- 1759 Exibições
- Última mensagem por stuartl

Dom Out 13, 2013 12:04
Geometria Plana
-
- retas tangentes
por kvothe » Sex Mai 06, 2011 17:48
- 1 Respostas
- 1882 Exibições
- Última mensagem por LuizAquino

Sex Mai 06, 2011 18:49
Cálculo: Limites, Derivadas e Integrais
-
- Retas tangentes à parabola
por Filipe Ricardo Rosa » Dom Jul 03, 2011 19:26
- 8 Respostas
- 9268 Exibições
- Última mensagem por LuizAquino

Qua Jul 06, 2011 10:21
Cálculo: Limites, Derivadas e Integrais
Usuários navegando neste fórum: Nenhum usuário registrado e 11 visitantes
Assunto:
simplifiquei e achei...está certo?????????????
Autor:
zig - Sex Set 23, 2011 13:57
![{(0,05)}^{-\frac{1}{2}}=\frac{10}{\sqrt[5]} {(0,05)}^{-\frac{1}{2}}=\frac{10}{\sqrt[5]}](/latexrender/pictures/19807748a214d3361336324f3e43ea9a.png)
![{(0,05)}^{-\frac{1}{2}}=\frac{10}{\sqrt[2]{5}} {(0,05)}^{-\frac{1}{2}}=\frac{10}{\sqrt[2]{5}}](/latexrender/pictures/3d7908e5b4e397bf635b6546063d9130.png)
Assunto:
simplifiquei e achei...está certo?????????????
Autor:
Vennom - Sex Set 23, 2011 21:41
zig escreveu:![{(0,05)}^{-\frac{1}{2}}=\frac{10}{\sqrt[5]} {(0,05)}^{-\frac{1}{2}}=\frac{10}{\sqrt[5]}](/latexrender/pictures/19807748a214d3361336324f3e43ea9a.png)
![{(0,05)}^{-\frac{1}{2}}=\frac{10}{\sqrt[2]{5}} {(0,05)}^{-\frac{1}{2}}=\frac{10}{\sqrt[2]{5}}](/latexrender/pictures/3d7908e5b4e397bf635b6546063d9130.png)
Rpz, o negócio é o seguinte:
Quando você tem uma potência negativa, tu deve inverter a base dela. Por exemplo:
Então pense o seguinte: a fração geratriz de 0,05 é

, ou seja, 1 dividido por 20 é igual a 0.05 . Sendo assim, a função final é igual a vinte elevado à meio.
Veja:
A raiz quadrada de vinte, você acha fácil, né?
Espero ter ajudado.
Assunto:
simplifiquei e achei...está certo?????????????
Autor:
fraol - Dom Dez 11, 2011 20:23
Nós podemos simplificar, um pouco,

da seguinte forma:

.
É isso.
Assunto:
simplifiquei e achei...está certo?????????????
Autor:
fraol - Dom Dez 11, 2011 20:24
Nós podemos simplificar, um pouco,

da seguinte forma:

.
É isso.
Powered by phpBB © phpBB Group.
phpBB Mobile / SEO by Artodia.