por Sobreira » Qui Set 19, 2013 02:20
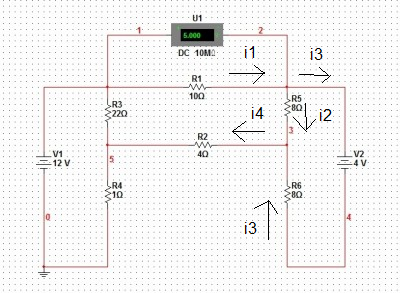
O exercício informa que a tensão sobre o resistor de 10 ohms é 5V e pede a potência dissipada no resistor de 4 ohms.
Já tentei algumas técnicas e não consegui resolver.
- Anexos
-

"The good thing about science is that it's true whether or not you believe in it."
-
Sobreira
- Colaborador Voluntário

-
- Mensagens: 122
- Registrado em: Sex Out 12, 2012 17:33
- Formação Escolar: PÓS-GRADUAÇÃO
- Área/Curso: Engenharia Elétrica
- Andamento: formado
por young_jedi » Sex Set 20, 2013 18:51
sendo a tensão 5V e a resistência 10 ohms então a corrente que passa por ele é 0,5A
essa corrente também é igual a corrente que passa pelo resistor de 4 ohms pois esse é o único caminho que ela tem para retornar
portanto a potencia no resistor de 4 ohms sera


-
young_jedi
- Colaborador Voluntário

-
- Mensagens: 1239
- Registrado em: Dom Set 09, 2012 10:48
- Formação Escolar: GRADUAÇÃO
- Área/Curso: Engenharia Elétrica - UEL
- Andamento: formado
por Sobreira » Sáb Set 21, 2013 00:09
Mas aí a corrente não se dividirá no nó acima do resistor R5 e/ou no nó acima de R6 ???
"The good thing about science is that it's true whether or not you believe in it."
-
Sobreira
- Colaborador Voluntário

-
- Mensagens: 122
- Registrado em: Sex Out 12, 2012 17:33
- Formação Escolar: PÓS-GRADUAÇÃO
- Área/Curso: Engenharia Elétrica
- Andamento: formado
por young_jedi » Sáb Set 21, 2013 11:27

- circuito.png (131.41 KiB) Exibido 7944 vezes
temos que

e

portanto

repare que ela se divide em um nó e depois se soma no outro
-
young_jedi
- Colaborador Voluntário

-
- Mensagens: 1239
- Registrado em: Dom Set 09, 2012 10:48
- Formação Escolar: GRADUAÇÃO
- Área/Curso: Engenharia Elétrica - UEL
- Andamento: formado
Voltar para Aritmética
Se chegou até aqui, provavelmente tenha interesse pelos tópicos relacionados abaixo.
Aproveite a leitura. Bons estudos!
-
- Circuito Elétrico
por Rafael16 » Seg Mar 18, 2013 19:19
- 1 Respostas
- 11785 Exibições
- Última mensagem por young_jedi

Seg Mar 18, 2013 20:43
Eletricidade I
-
- Determinar a potência dissipada em um circuito elétrico.
por Sobreira » Sáb Out 05, 2013 16:34
- 4 Respostas
- 3297 Exibições
- Última mensagem por Sobreira

Dom Out 06, 2013 13:00
Aritmética
-
- Circuito elétrico - Calcular a potência aparente total.
por Sobreira » Qui Mai 01, 2014 18:41
- 0 Respostas
- 1453 Exibições
- Última mensagem por Sobreira

Qui Mai 01, 2014 18:41
Equações
-
- Circuito com ramo nulo.
por Sobreira » Dom Fev 23, 2014 18:48
- 3 Respostas
- 4407 Exibições
- Última mensagem por young_jedi

Dom Fev 23, 2014 22:34
Equações
-
- Dúvida circuito magnético.
por Sobreira » Sáb Mar 14, 2015 19:57
- 0 Respostas
- 1831 Exibições
- Última mensagem por Sobreira

Sáb Mar 14, 2015 19:57
Cálculo: Limites, Derivadas e Integrais
Usuários navegando neste fórum: Nenhum usuário registrado e 1 visitante
Assunto:
Conjunto dos números racionais.
Autor:
scggomes - Sex Fev 18, 2011 10:38
Olá ! Tenho essa dúvida e não consigo montar o problema para resolução:
Qual é o racional não nulo cujo o quadrado é igual à sua terça parte ?
Grata.
Assunto:
Conjunto dos números racionais.
Autor:
MarceloFantini - Sex Fev 18, 2011 12:27

Assunto:
Conjunto dos números racionais.
Autor:
scggomes - Sex Fev 18, 2011 12:55
também pensei que fosse assim, mas a resposta é

.
Obrigada Fantini.
Assunto:
Conjunto dos números racionais.
Autor:
MarceloFantini - Sex Fev 18, 2011 13:01
Como

:
O que você fez?
Assunto:
Conjunto dos números racionais.
Autor:
scggomes - Sex Fev 18, 2011 16:17
eu só consegui fazer a igualdade, não consegui desenvolver o restante, não pensei em fatoração, mas agora entendi o que vc fez.
Obrigada.
Powered by phpBB © phpBB Group.
phpBB Mobile / SEO by Artodia.